Tổng quan bơm màng khí nén DINO DA40-PPPPSPSP
Bơm màng khí nén DINO DA40-PPPPSPSP là giải pháp bơm khí nén công suất trung bình. Với cổng chất lỏng 1 1/2 inch, bơm đạt lưu lượng 370 L/min dưới áp suất khí tối đa 8.3 bar.
Thân bơm và gối đỡ bi được chế tạo từ nhựa polypropylene. Màng bơm và bi van sử dụng vật liệu santoprene chống mài mòn. Cho tổng thể độ bền cơ học cao, chịu được nhiệt độ và đàn hồi tốt
DA40-PPPPSPSP lý tưởng cho việc bơm các chất lỏng có độ nhớt trung bình hoặc có chứa các hạt rắn kích thước lớn (lên đến 6.4 mm). Thiết kế van khí không cân bằng tiên tiến của DINO đảm bảo bơm không bao giờ bị dừng hoạt động. Ngay cả trong điều kiện áp suất biến động
Đặc tính của bơm màng khí nén DA40 vỏ nhựa

Hình 1: Biểu đồ hiệu suất của bơm màng DINO DA40-PPPPSPSP
- Lưu lượng cao: Đạt 370 L/min, đáp ứng nhu cầu vận chuyển chất lỏng khối lượng lớn trong thời gian ngắn.
- Thiết kế màng ngăn đặc biệt: Đảm bảo tuổi thọ cao nhất và ít hao mòn nhất so với các đối thủ cùng phân khúc.
- Tự mồi ưu việt: Nó có khả năng hút sâu tối đa 4 mét (hút khô), đơn giản hóa việc khởi động bơm mà không cần can thiệp thủ công.
- Không cần bôi trơn: Buồng khí của bơm DA 40 không yêu cầu bôi trơn, giảm chi phí và tần suất bảo trì.
- An toàn chống cháy nổ: Bơm hoạt động hoàn toàn bằng khí nén, loại bỏ rủi ro điện/tia lửa. Lý tưởng cho môi trường dễ cháy nổ.
Thông tin kỹ thuật bơm màng DA40-PPPPSPSP
| Loại sản phẩm | Bơm màng khí nén |
| Mã hàng | DA40-PPPPSPSP |
| Hãng | DINO |
| Xuất xứ | Đài Loan |
| Lưu lượng tối đa (Max Flow Rate) | 370 L/min |
| Áp suất khí tối đa (Max Pressure) | 8.3 bar |
| Kích thước | 1 1/2 inch |
| Thân bơm | Nhựa |
| Gối đỡ bi | Nhựa |
| Bi | Bi santoprene |
| Màng bơm | Màng santoprene |
| Lượng bơm mỗi chu kỳ (Per Cycle) | 2.3 L |
| Độ hút sâu tối đa (Dry Suction Lift) | 4 m |
| Kích thước hạt rắn tối đa (Particle Size) | 1/4’’ (6.4 mm) |
| Đầu vào/ra chất lỏng (Inlet/Outlet) | 1 1/2’’ ANSI |
| Đầu vào khí nén (Air Inlet) | 1/2’’ NPT |
| Trọng lượng | 28.1 kg |
| Kích thước thùng | 60 × 45 × 68 cm |

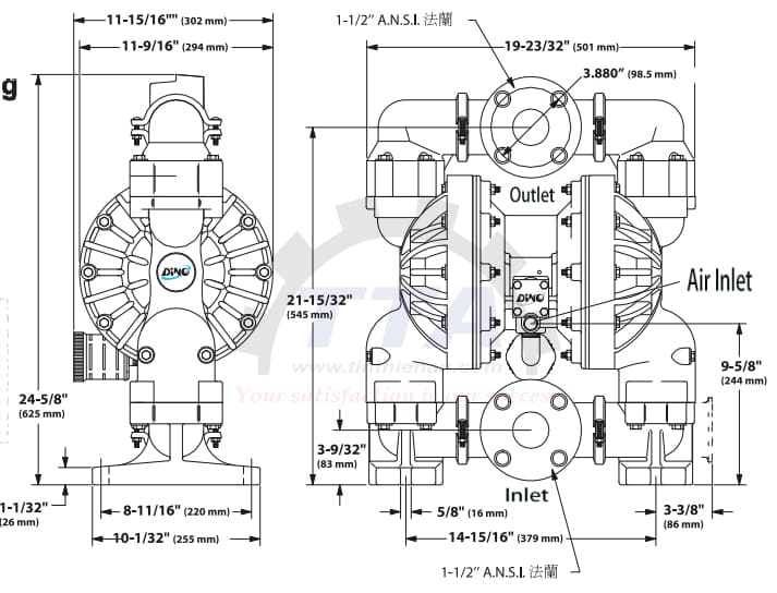
Hình 2: Bản vẽ kích thước bơm màng DINO DA40-PPPPSPSP
Xem thêm

